HOME | Raspberry Pi | ビジネス書籍紹介 | DIARY | 2025-12-01 (Mon) Today's Access : 150 Total : 1246371. Since 10 Sep. 2019

UNO 3.3V@8MHz
2025.10.08


ブランクのATMega328Pにブートローダを書き込んだ経験のある方はArduino互換機を作成されたこともあると思います。 今回は拡張カードも被せやすいようにUNO互換機を作成、ESP32と連携しやすいように3.3V@8MHz駆動としました。

こちらは秋月電子通商から販売されている ATmega168/328マイコンボードキットです


今回はキットは使用せずに基板単体とパーツ類を揃えて組み立てます。

●パーツ一覧
秋月電子通商のサイトからバーツを選んでみました
秋月電子通商
ATMEGA168/328用マイコンボード(I/Oボード)  104399 150 1
低損失レギュレーター 3.3V1.5A NJM2396F33  109261  70 1
FT232RL USBシリアル変換モジュールキット  106693 950 1
ジャンパーピン赤(2.54mmピッチ) 25個入  103688 100 1
ピンソケット(メス) 1×8(8P)・黄  110292  25 2
ピンソケット(メス) 1×6(6P)・黄  110287  20 2
ピンソケット(メス) 1×3(3P)  110098  15 1
ATmega328P (3.3V 内蔵8MHz仕様)  112775 440 1
丸ピンICソケット (28P) 300mil  101339  70 1
シングルピンソケット (低メス) 1×20 (20P)  103138  80 2
両端ロングピンヘッダー 1×40 (40P 6.1)  109056  50 1
ケーブル用コネクター 10個入  112160  50 1
熱収縮チューブ(スミチューブC クリア) Φ1.5×0.2×1m  108635  40 1
耐熱電子ワイヤー 2m×7色 外径1.22mm(AWG24)  106756 550 1
ピンヘッダー 2×3 (6P) 10個入  116883  80 1
ピンヘッダー 1×40 (40P) 黄  ------ --- 1
3mm赤色LED 625nm 70度 OSR5JA3Z74A  111577  10 1
カーボン抵抗(炭素皮膜抵抗) 1/4W10kΩ 100本入  125103 100 1
カーボン抵抗(炭素皮膜抵抗) 1/4W1kΩ 100本入  125102 100 1
積層セラミックコンデンサー 0.1μF250V 5mmピッチ  110147  25 3
電解コンデンサー 100μF16V105℃ ルビコンMH7  110598  10 2
ブリッジダイオードDIP型 1000Vpk1.5A DI1510  111666  25 1
2.1mm標準DCジャック(4A) 基板取付用 MJ-179PH  106568  40 1
タクトスイッチ(オレンジ色)  103652  10 1

※台座に固定する場合は、六角スペーサー、ボルト、ナットが必要になります

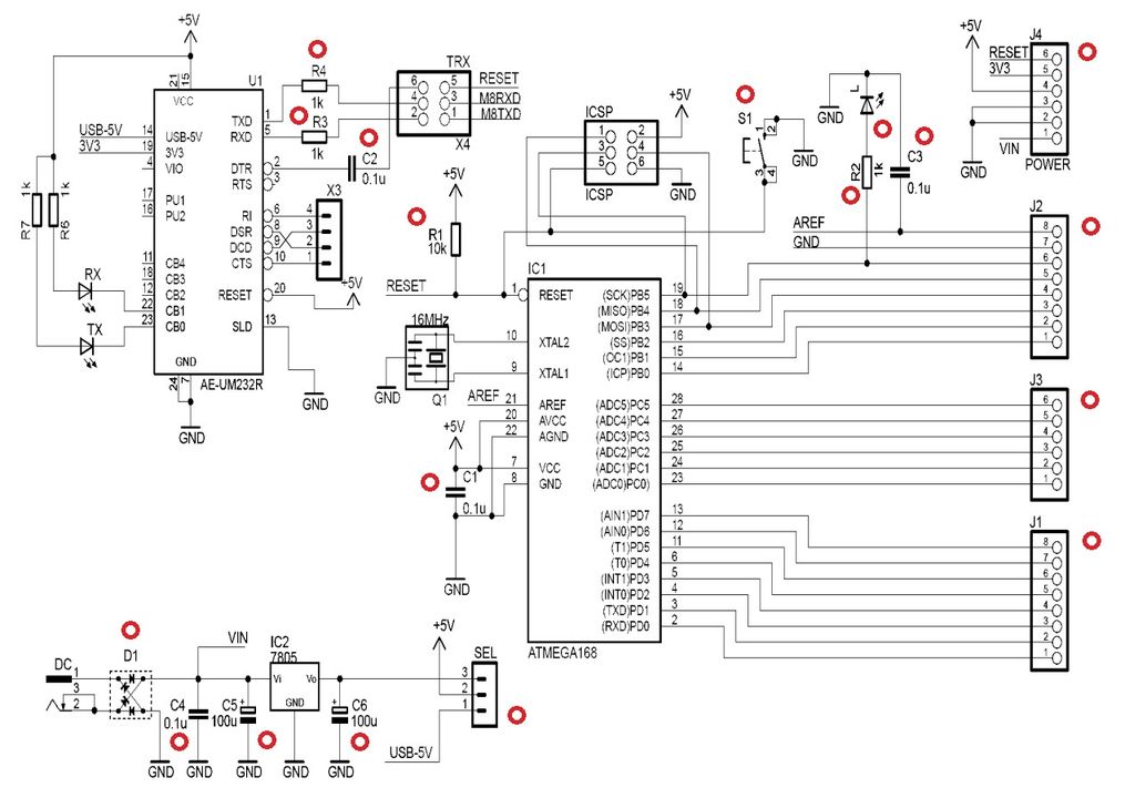
●Circuit


●組立て

3.3V@8MHz 仕様に変更して組み立てたものがこちらです。

基板が緑色なので、ピンソケットは近接色の黄色にしました。
ATMega328Pには3.3V内蔵8MHz仕様のラベルを貼り付けて、ポップな感じにしています。 Pro Mini 8MHz@3.3Vのブートローダを書き込んでください。
ATMega328P内属クロックを使用するので、外部発振子とコンデンサはハンダ付けしていません。
無くても問題のない TX,RX,PWR LEDはハンダ付けしていません。

秋月電子の328用マイコンボードは、同社から販売されているFT232RL USBシリアル変換モジュールを装着できるようになっています

FT232RL USBシリアル変換モジュールにはヘッダーピンがハンダ付けされていない製品を用います。


基板にシングルピンソケット (低メス)をハンダ付けしています


スルーホール基板の15番VCC端子を除いてヘッダーピンをはんだ付けしています
J1ピン:1-2ショート(3V3OUTからの3.3Vが供給される)
J2ピン:ショート(USBバスからVCCに5Vが供給される)


要はこのボードの15番ピン(VCC/POWER)を基板に接地しないようにします


ピンをクランプ状に加工して、ジャンプワイヤーに取り付けます


FT232RL USBシリアル変換モジュールの19番ピン(3.3V/OUT)を、左側ソケット上から3番目に挿し込み電力供給を行います。
※5V仕様の場合は、21番ピンを(VCC/POWER)を使います。



基板に3ピンソケットをハンダ付けして、そこに3.3V1Aの三端子レギュレーターを挿しています。これを差し替えることで5V仕様に変更できるようにしています

※レギュレータを5V対応に変更する際は、16MHzあるいは20MHzの水晶発振子とキャパシタを追加します


PWR-SELジャンパをEXT側にショートさせます。

●電圧計測
それではピン出力電圧を計測してみましょう
ソースコードのビルドには、PlatformIOを使用しています。
Arduino開発環境構築 PlatformIO

$ pio init -b pro8MHzatmega328
$ vi src/check_voltage.ino
#define CHECK_PIN 7

void setup() {
        pinMode(CHECK_PIN, OUTPUT);
        digitalWrite(CHECK_PIN, HIGH);
}

void loop() {}
$ pio run -t upload


FT232RL USBシリアル変換モジュールのUSB端子に5Vを供給した場合


DCジャックから5Vを供給した場合


ピンヘッダーに microSDカードモジュールの帽子を被せてみました

●キュートなUNO達

DIY Ardu (Arduino-Compatible Clone)


スルーホール部品のみで作るArduino互換キット
このキットではMCP2221Aを使っているようですが、このICではリセットをうまく扱うことができません。 そこで、このキットでは書き込み時にリセットボタンを手で押す、ということで問題を回避しています。

Raspberry Pi(ラズベリー パイ)は、ARMプロセッサを搭載したシングルボードコンピュータ。イギリスのラズベリーパイ財団によって開発されている。

2019.12.13 モバイルバッテリーによる瞬間停電対策
2020.01.01 1280x800 HDMI MONITOR
2020.01.12 micro:bitをコマンドラインで使う
2020.02.04 サーマルプリンタを使う
2020.04.10 電卓を制御して数字を表示する
2020.08.03 Seeeduino XIAO
2020.08.09 LGT8F328P - Arduino clone
2020.09.18 電流計測モジュール INA219
2021.02.16 癒しの電子回路
2021.03.06 疑似コンソール
2021.08.08 電子ペーパー
2021.09.04 AVRマイコン・ATTiny85
2021.09.25 pH測定
2021.11.13 NTP時刻取得と活用
2021.11.27 GPS情報取得
2021.12.11 GR-KURUMI
2021.12.25 ATMEGA328P 3.3V/8MHz
2022.01.11 AS-289R2 プリンタシールド
2022.01.25 TM1637 & ATtiny85
2022.02.22 Raspberry Pi Zero 小道具
2022.03.01 ATTinyCore
2022.03.18 Adafruit QT Py + XIAO Expansion board
2022.07.31 サーマルプリンター番外編:通信筒
2023.01.01 FTP Server & SPI Flash SD
2023.02.01 LPC810(ARM Cortex-M0+)
2023.02.15 IchigoJam互換機
2023.03.01 Telnet
2023.04.26 USBメモリをUART接続で利用する
2023.05.14 焦電型赤外線モーションセンサー
2023.07.01 文字化けしないキーボード
2023.08.01 Bluetoothサーマルプリンター
2023.08.12 LattePanda 2G/32GB
2023.09.04 SI-3012KS
2023.12.01 疑似コンソール(C言語編)
2023.12.16 昭和レトロ・温度湿度時刻計
2023.12.25 二酸化炭素濃度監視
2024.01.23 なんちゃってmicro:bit
2024.02.07 オリジナル micro:bit
2024.02.23 ESP32 OTA
2024.03.08 TELNETサーマルプリンター
2024.05.08 ESP32 PROGRAM SELECTOR
2024.05.23 統合開発環境とQwiic
2025.01.24 赤外線リモコン
2025.03.25 QRCode SCANNER
2025.04.08 Keyestudio 328 WiFi Plus
2025.08.23 NanoPi NEO3
2025.09.24 I2C接続microSDモジュール
2025.10.08 UNO 3.3V@8MHz

Arduinoで学ぶ組込みシステム入門(第2版)
●Arduinoを使って組込みシステム開発を理解する
・ハードウェアやソフトウェアなどの基礎知識/ ・設計から実装までを系統的に説明するモデルベース開発/ ・Arduinoを用いた実際の開発例

最新 使える! MATLAB 第3版
◆◆すぐに「使える!」 全ページフルカラー!◆◆
・MATLAB R2022bに対応し、解説もより詳しく!/ ・コマンド・スクリプトの例が豊富で、動かして学べる!/ ・超基本から解説。これから使いはじめる人にぴったり!/ ・全編フルカラー、スクリーンショットも豊富!

Amazon Web Services基礎からのネットワーク&サーバー構築改訂4版
1.システム構築をインフラから始めるには/ 2.ネットワークを構築する/ 3.サーバーを構築する/ 4.Webサーバーソフトをインストールする/ 5.HTTPの動きを確認する/ 6.プライベートサブネットを構築する/ 7.NATを構築する/ 8.DBを用いたブログシステムの構築/ 9.TCP/IPによる通信の仕組みを理解する

C言語は第二の母国語: 独学学生時代から企業内IT職人時代に培った、独立のための技術とノウハウ 平田豊著
学生時代から独学でプログラミングをはじめ、企業内でデバイスドライバを開発し、そして独立後もたくさんのアプリケーション開発や技術書制作に携わってきた著者。その筆者が大事に使い続ける「C言語」の“昔と今”について、気づいたことや役立つ知識、使ってきたツールなどについて、これまで記してきたことを整理してまとめました。 本書では、現役プログラマーだけでなく、これからプログラミングを学ぶ学生などにも有益な情報やノウハウを、筆者の経験を元に紹介しています。

1冊ですべて身につくJavaScript入門講座
・最初の一歩が踏み出せる! 初心者に寄り添うやさしい解説 ・最新の技術が身につく! 今のJavaScriptの書き方・使い方 ・絶対に知っておきたい! アニメーションとイベントの知識 ・プログラミングの基本から実装方法まですべて学べる

図解! Git & GitHubのツボとコツがゼッタイにわかる本
ソフトウェア開発では欠かすことのできないGit、GitHub。 これからGit、GitHubを使いたいという入門者の方でも、実際に手を動かしながら使い方を学べます。

C自作の鉄則!2023 (日経BPパソコンベストムック)
メーカー製のパソコンはスペックが中途半端で、自分が本当に欲しい機種がない――。そう思っている人には、ぜひ自作パソコンをお薦めします。自作パソコンのパーツは進化が速く、しかも驚くほど種類が豊富。価格も性能も、幅広く用意されているため、満足度100%の“自分だけの1台”を手に入れることができます。

Interface 2023年6月号
特集:第1部 フィルタ設計 基礎の基礎/ 第2部 係数アプリや波形観測アプリで合点!FIR&IIRフィルタ作り/ 第3部 配布プリント基板で体験!マイコンで動くフィルタ作り

日経Linux 2023年5月号
【特集 1】 AI時代の最強フリーソフト ~ 25のやりたいを実現! 【特集 2】 AWS、Azureのうまみを無料で体感!面倒なことはクラウドに任せよう 【特集 3】 新しいRaspberry Pi Cameraで遊んでみよう 【特集 4】 Linuxで旧型PCを復活! 1kg切るモバイルPCを「ChromeOS Flex」でChromebook化

ラズパイマガジン2022年秋号
特集:5大人気ボード 電子工作超入門
「半導体不足で在庫が不足し、電子工作のボードがなかなか買えない…」。そんな今にふさわしい特集を企画しました。5種の人気ボードにすべて対応した電子工作の入門特集です。「GPIO」や「I2C」を使った電子パーツの制御方法は、どのボードでも同じです。手に入れられたボードを使って、今こそ電子工作を始めましょう。

地方で稼ぐ! ITエンジニアのすすめ
学歴、理系の知識、専門スキル……全部なくてもITエンジニアになれる! 地方でも高収入でやりがいをもって働ける!ITエンジニアの魅力を一挙大公開

Raspberry Piのはじめ方2022
本書は、ラズパイやPicoの買い方やインストール、初期設定といった基本から、サーバー、電子工作、IoT、AIといったラズパイならではの活用方法まで、1冊でお届けします。 ラズパイをこれから始める方向けに、全36ページの入門マンガ「女子高生とラズベリーパイ」も巻末に掲載。これを読むだけでラズパイがどんなものなのか、すぐに分かって触れるようになります。

ハッカーの学校 IoTハッキングの教科書
生活にとけこみ、家電機器を便利にするIoT技術。 Webカメラなど、便利の裏側に潜むセキュリティの危険性をハッキングで検証。 専門家がパケットキャプチャからハードウェアハッキングまで、その攻撃と防御を徹底解説。 本書は2018年7月に刊行された「ハッカーの学校IoTハッキングの教科書」に一部修正を加えた第2版です。

攻撃手法を学んで防御せよ! 押さえておくべきIoTハッキング
本書は、経済産業省から2021年4月にリリースされた、IoTセキュリティを対象とした『機器のサイバーセキュリティ確保のためのセキュリティ検証の手引き』の『別冊2 機器メーカに向けた脅威分析及びセキュリティ検証の解説書』をもとに、IoT機器の開発者や品質保証の担当者が、攻撃者の視点に立ってセキュリティ検証を実践するための手法を、事例とともに詳細に解説しました。

ポチらせる文章術
販売サイト・ネット広告・メルマガ・ブログ・ホームページ・SNS… 全WEB媒体で効果バツグン! カリスマコピーライターが教える「見てもらう」「買ってもらう」「共感してもらう」すべてに効くネット文章術

プログラマーは世界をどう見ているのか 西村博之著
イーロン・マスク(テスラ)、ジェフ・べゾス(Amazon)、ラリー・ペイジ(Google)…etc. 世界のトップはなぜプログラマーなのか?

ニーア オートマタ PLAY ARTS改 <ヨルハ 二号 B型 DX版> PVC製 塗装済み可動フィギュア
「NieR:Automata」より、ヨルハ二号B型こと2BがPLAY ARTS改に新たに登場! 高級感の感じられるコスチュームや髪の質感、洗練されたボディバランス、細かなデティールに至るまでこだわり抜かれた逸品。 DX版には通常版のラインナップに加え2Bの随行支援ユニット ポッド042などをはじめ“純白の美しい太刀"白の約定やエフェクトパーツ、自爆モードを再現できる換装用ボディパーツ、シーンに合わせて変えられる顔パーツ2種も付属する豪華な仕様に。 作中のあらゆるシーンを再現することが可能なファン必見の一品となっている。

Newtonライト2.0 ベイズ統計
ベイズ統計は,結果から原因を推定する統計学です。AIや医療などの幅広い分野で応用されています。その基礎となるのは18世紀に考えだされた「ベイズの定理」です。 この本では,ベイズ統計学のきほんをやさしく紹介していきます。

白光(HAKKO) ダイヤル式温度制御はんだ吸取器 ハンディタイプ FR301-81


無水エタノールP 500mlx2個パック(掃除)


ケイバ(KEIBA) マイクロニッパー MN-A04


サンハヤト SAD-101 ニューブレッドボード


白光(HAKKO) HEXSOL 巻はんだ 精密プリント基板用 150g FS402-02


[Amazon限定ブランド]【指定第2類医薬品】PHARMA CHOICE 解熱鎮痛薬 解熱鎮痛錠IP 100錠


Copyright © 2011-2027 Sarako Tsukiyono All rights reserved®.