ヤマハ音源IC YMZ294
2023.06.16 / 2025.10.25更新
YouTube でも紹介しています。画像をクリックすると再生できます。
ヤマハ音源IC YMZ294は、PSG音源LSIです。3系列の矩形波発生器と1系列のノイズ発生器、エンベロープ発生器を内蔵しており、メロディ音効果音の発音が可能です。
この音源ICは、2002年2月には秋月電子でも取扱いが開始されており、23年6月時点で1個300円で販売されています。
使い方はネット上にすでに多くの情報があり、データシートも2ページで完結しています。
この音源ICは一般的に5V単一電源が使用され、Arduinoから制御することが多いようです。
しかし、Arduinoでは、プログラムサイズの制約が大きいので、今回はESP32S2を使って動かしてみました。
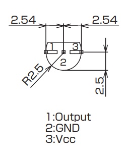
●ヤマハ音源IC (YMZ294)

・YAMAHAのPSG(Programmable Sound Generator, SSG)音源。
・YM2149相当の音源LSI。
・3系列の矩形波発生器と1系列のノイズ発生器、エンベロープ発生器を内臓。
・8オクターブの発音域。
・5V単一電源。
※ピアノの最低音部、ノート番号21,22は発音できません。
| /CS /WR A0 |
8bitデータバスからのアドレスとデータ書込みコントロール
(0,0,0)→SSGLPにアドレス書込み
(0,0,1)→SSGLPにデータ書込み |
| 5V | |
| SO | 音声信号のアナログ出力 |
| GND | |
| CLK | マスタークロック入力 |
| 4/8MHz | 周波数(4MHz:HIGH/8MHz:LOW)選択 |
| /IC | (LOW)システムリセット、レジスタアレーのゼロクリア |
| D0~D7 | 8bitのデータバス |
| /TEST | テスト用端子。無接続 |

YAMAHAの音源IC(YMZ294)の使い方の基礎
●まずは基本のArduinoで動作確認

Arduino Nano Pinout

| Nano | - | YMZ294 | - | Quartz/Speaker |
| D10 | - | /CS | | |
| D10 | - | /WR | | |
| D11 | - | A0 | | |
| +5V | - | 5V | - | Quartz:Vcc |
| | | SO | - | Speaker(+) |
| GND | - | GND | - | Quartz:GND |
| | | CLK | - | Quartz:Output |
| +5V | - | 4/8MHz | | |
| D12 | - | /IC | | |
| D0-D7 | - | D0-D7 | | |
| | | /TEST | | |
AVRでファミコン風音源YMZ294を使う
YMZ294 Arduino Library
●YMZ294制御概要
YMZ294は,レジスタに値を書きこむことで音の周波数や音量,エンベロープなどを設定できるようになっています。
レジスタに値を書き込むには,WR(書き込み許可),CS(チップセレクト),A0(アドレス指定)の3つの設定ピンのHIGH/LOWを切り替え,D0〜7に値をセットします。
void setup() {
DDRD = 0b11111111;
DDRD:ATmega328PのポートD(デジタルピン0から7)の方向レジスタ
(0=IN, 1=OUT)をすべて出力に指定します。
Arduino 日本語リファレンス - ポート操作
ArduinoのUARTピン0(RX)、1(TX)を占有していまうため、
シリアル通信にはソフトウェアシリアルを使用します。
ポートDを使用したくない場合は、独自にデータピンを設定してください。
const int DATA_PIN[] = { 2, 3, 4, 5, 6, 7, 8, 9 };
for (int i = 0; i < 8; i++) pinMode(DATA_PIN[i], OUTPUT);
pinMode(WRCS_PIN, OUTPUT);
pinMode(A0_PIN, OUTPUT);
pinMode(RESET_PIN, OUTPUT);
WR(書き込み許可),CS(チップセレクト),A0(アドレス指定)の3つの
設定ピンを出力モードにします。
void ymz294_set_register(byte addr, byte value)
{
digitalWrite(WRCS_PIN, LOW);
digitalWrite(A0_PIN, LOW);
PORTD = addr;
digitalWrite(WRCS_PIN, HIGH);
digitalWrite(WRCS_PIN, LOW);
digitalWrite(A0_PIN, HIGH);
PORTD = value;
digitalWrite(WRCS_PIN, HIGH);
}
レジスタ・アドレスを指定する際には、
WR,CS,A0をすべてLOWにし、D0~7にアドレス値をセット。
WRとCSをHIGHにして,アドレスのセットを完了します。
データを送信する際には、
WR,CS,をLOWに、A0をHIGHにして、D0~7にデータをセット。
WR,CS,A0をすべてHIGHにして,データのセットを完了します。
ymz294_SetMixer(0b111, 0b000);
ヤマハ音源IC YMZ294では、1つのチャンネルで1つの音を出力させることが可能です。
ミキサーレジスタの該当するビットを0にすると音を出力します。
上記の設定では、最大3つのトーンを同時出力(0b000)、ノイズは停止(0b111)させています。
■開発環境
ソースコードのビルドには、PlatformIOを使用しています。
Arduino開発環境構築 PlatformIO
ymz294_nano328.ino
#define REG_A_L 0x00 // channel-A 周波数上位4ビットを格納するアドレス
#define REG_A_H 0x01 // channel-A 周波数下位8ビットを格納するアドレス
#define REG_B_L 0x02 // channel-B 周波数上位4ビットを格納するアドレス
#define REG_B_H 0x03 // channel-B 周波数下位8ビットを格納するアドレス
#define REG_C_L 0x04 // channel-C 周波数上位4ビットを格納するアドレス
#define REG_C_H 0x05 // channel-C 周波数下位8ビットを格納するアドレス
#define REG_NOISE 0x06 // ノイズ音の周波数情報(5bit)
#define REG_MIXER 0x07 // ミキサーの設定情報(6bit)
#define REG_VOLUME_A 0x08 // channel-Aの音量コントロール情報(5bit)
#define REG_VOLUME_B 0x09 // channel-Bの音量コントロール情報(5bit)
#define REG_VOLUME_C 0x0A // channel-Cの音量コントロール情報(5bit)
#define REG_ENV_L 0x0B // エンベロープの周波数情報下位8bit
#define REG_ENV_H 0x0C // エンベロープの周波数情報上位8bit
#define REG_ENV_SHAPE 0x0D // エンベロープ形状(4bit)
#define BASE_FREQ 125000
#define CHANNEL_A 0
#define CHANNEL_B 1
#define CHANNEL_C 2
const byte WRCS_PIN = 10;
const byte A0_PIN = 11;
const byte RESET_PIN = 12;
#define VELOCITY_STD 64
static const float NoteFrequency[] = {
8.2, 8.7, 9.2, 9.7, 10.3, 10.9, 11.6, 12.2, 13.0, 13.8,
14.6, 15.4, 16.4, 17.3, 18.4, 19.4, 20.6, 21.8, 23.1, 24.5,
26.0, 27.5, 29.1, 30.9, 32.7, 34.6, 36.7, 38.9, 41.2, 43.7,
46.2, 49.0, 51.9, 55.0, 58.3, 61.7, 65.4, 69.3, 73.4, 77.8,
82.4, 87.3, 92.5, 98.0, 103.8, 110.0, 116.5, 123.5, 130.8, 138.6,
146.8, 155.6, 164.8, 174.6, 185.0, 196.0, 207.7, 220.0, 233.1, 246.9,
261.6, 277.2, 293.7, 311.1, 329.6, 349.2, 370.0, 392.0, 415.3, 440.0,
466.2, 493.9, 523.3, 554.4, 587.3, 622.3, 659.3, 698.5, 740.0, 784.0,
830.6, 880.0, 932.3, 987.8, 1046.5, 1108.7, 1174.7, 1244.5, 1318.5, 1396.9,
1480.0, 1568.0, 1661.2, 1760.0, 1864.7, 1975.5, 2093.0, 2217.5, 2349.3, 2489.0,
2637.0, 2793.8, 2960.0, 3136.0, 3322.4, 3520.0, 3729.3, 3951.1, 4186.0, 4434.9,
4698.6, 4978.0, 5274.0, 5587.7, 5919.9, 6271.9, 6644.9, 7040.0, 7458.6, 7902.1,
8372.0, 8869.8, 9397.3, 9956.1, 10548.1, 11175.3, 11839.8, 12543.9,
};
uint8_t busy[3] = {0,0,0};
// 指定したチャンネルの基本となる音量を指定する
void setChannelVolume(uint8_t channel, uint8_t vol)
{
// Volume:0~127 -> 0~15(4bit)
uint8_t bit4;
if (vol < 10) { bit4 = 0; }
else if (vol < 22) { bit4 = 1; }
else if (vol < 34) { bit4 = 3; }
else if (vol < 46) { bit4 = 5; }
else if (vol < 58) { bit4 = 7; }
else if (vol < 70) { bit4 = 8; }
else if (vol < 82) { bit4 = 9; }
else if (vol < 94) { bit4 = 11; }
else if (vol < 106) { bit4 = 13; }
else { bit4 = 15; };
ymz294_set_register(REG_VOLUME_A + channel, bit4);
}
// 音を鳴らす
void noteOn(uint8_t channel, uint8_t note, uint8_t velocity)
{
int8_t chno = -1;
for(uint8_t i=0; i<3; i++) {
if (busy[i] == note) {
chno = i;
break;
}
}
if (chno == -1) {
for(uint8_t i=0; i<3; i++) {
if (busy[i] == 0) {
chno = i;
busy[i] = note;
break;
}
}
}
if (chno == -1) return;
uint16_t freqbit = 0;
// 125000/周波数(HZ)の整数値を12ビットで各チャンネルのレジスタにセットする。
// レジスタは8ビット構成なので、上位4ビットと下位8ビットに分けて格納する。
// 12ビットなので周波数はB0(No.23/30.9Hz)以上を指定する。
float freq = NoteFrequency[note];
if (freq > 0) freqbit = BASE_FREQ / freq;
freqbit &= 0b0000111111111111; // 12bit
ymz294_set_register(REG_A_L + (chno * 2), freqbit & 0xff);
ymz294_set_register(REG_A_H + (chno * 2), (freqbit >> 8) & 0xff);
setChannelVolume(chno, velocity);
}
// 音を止める
void noteOff(uint8_t channel, uint8_t note, uint8_t velocity)
{
int8_t chno = -1;
for(uint8_t i=0; i<3; i++) {
if (busy[i] == note) {
chno = i;
busy[i] = 0;
break;
}
}
if (chno == -1) return;
setChannelVolume(chno, 0);
}
void ymz294_reset(void)
{
// 全てのレジスタに0をセットし、ハードウエアをリセットする
ymz294_reset_param();
ymz294_reset_hardware();
}
void ymz294_SetMixer(byte noise, byte square)
{
uint8_t mixer; // Mixer Status (6bit)
mixer = ((noise & 0b111) << 3) | (square & 0b111);
ymz294_set_register(REG_MIXER, mixer);
}
void ymz294_reset_param(void)
{
ymz294_set_register(REG_A_L, 0);
ymz294_set_register(REG_A_H, 0);
ymz294_set_register(REG_B_L, 0);
ymz294_set_register(REG_B_H, 0);
ymz294_set_register(REG_C_L, 0);
ymz294_set_register(REG_C_H, 0);
ymz294_set_register(REG_NOISE, 0);
ymz294_set_register(REG_MIXER, 0);
ymz294_set_register(REG_VOLUME_A, 0);
ymz294_set_register(REG_VOLUME_B, 0);
ymz294_set_register(REG_VOLUME_C, 0);
ymz294_set_register(REG_ENV_L, 0);
ymz294_set_register(REG_ENV_H, 0);
ymz294_set_register(REG_ENV_SHAPE, 0);
}
void ymz294_reset_hardware(void)
{
// ハードウエアリセットはWRCS_PINがHIGH、A0_PINがLOWの状態でRESET_PINをLOWにし、
// 少し間をおいてからRESET_PINをHIGHにする。
digitalWrite(WRCS_PIN, HIGH);
digitalWrite(A0_PIN, LOW);
digitalWrite(RESET_PIN, LOW);
delay(10);
digitalWrite(RESET_PIN, HIGH);
}
void ymz294_set_register(byte addr, byte value)
{
// addr
digitalWrite(WRCS_PIN, LOW);
digitalWrite(A0_PIN, LOW);
PORTD = addr; // PORTD:出力状態設定レジスタ
// for (int i = 0; i < 8; i++) digitalWrite(DATA_PIN[i], bitRead(addr, i));
digitalWrite(WRCS_PIN, HIGH); // データ送信
// value
digitalWrite(WRCS_PIN, LOW);
digitalWrite(A0_PIN, HIGH);
PORTD = value; // PORTD:出力状態設定レジスタ
// for (int i = 0; i < 8; i++) digitalWrite(DATA_PIN[i], bitRead(value, i));
digitalWrite(WRCS_PIN, HIGH); // データ送信
}
void setup()
{
DDRD = 0b11111111; // DDRD:ポートDの方向レジスタ 0=IN, 1=OUT
// for (int i = 0; i < 8; i++) pinMode(DATA_PIN[i], OUTPUT);
pinMode(WRCS_PIN, OUTPUT);
pinMode(A0_PIN, OUTPUT);
pinMode(RESET_PIN, OUTPUT);
ymz294_reset();
ymz294_SetMixer(0b111, 0b000);
for (int note = 23; note <= 108; note++) {
noteOn(CHANNEL_A, note, VELOCITY_STD);
delay(200);
noteOff(CHANNEL_A, note, 0);
}
noteOn(CHANNEL_A, 60, VELOCITY_STD);
delay(200);
noteOff(CHANNEL_A, 60, 0);
noteOn(CHANNEL_B, 64, VELOCITY_STD);
delay(200);
noteOff(CHANNEL_B, 64, 0);
noteOn(CHANNEL_C, 67, VELOCITY_STD);
delay(200);
noteOff(CHANNEL_C, 67, 0);
noteOn(CHANNEL_A, 60, VELOCITY_STD);
noteOn(CHANNEL_B, 64, VELOCITY_STD);
noteOn(CHANNEL_C, 67, VELOCITY_STD);
delay(1000);
noteOff(CHANNEL_A, 60, 0);
noteOff(CHANNEL_B, 64, 0);
noteOff(CHANNEL_C, 67, 0);
}
void loop() {}
●Arduino Nano → QT Py ESP32S2 への移植
Adafriot QT Py ESP32S2 は独立した2つのI2Cポートを持っています。
1つをI2Cパラレル変換(PCF8574)に使い、もう1方をMIDIデータ受信に使用します。
●Adafruit QT Py ESP32-S2 WiFi Dev Board with STEMMA QT
・ESP32-S2 240MHz
・4 MB Flash & 2 MB PSRAM
・2.4 GHz Wi-Fi (SoC)
・Two I2C ports
・Hardware UART
・Hardware SPI
・Hardware I2S on any pins
・3.3V regulator with 600mA peak output
Adafruit QT Py ESP32-S2
YMZ294を制御するには、8本のデータピンと3本の制御ピンが必要です。
QT Py ESP32-S2 はピン数が少ないので、I2C→パラレル8ビット変換モジュールを使うことで、2本のI2Cピンでデータ送信を行います。
●Adafruit PCF8574 I2C GPIO Expander
I2Cバスと8ビットパラレルを変換するモジュールです。Adafruit のモジュールは、SCL、SDAがプルアップされていて便利です。

SCL - I2C clock pin, This pin is level shifted so you can use 3-5V logic, and there's a 10K pullup on this pin.
SDA - I2C data pin, This pin is level shifted so you can use 3-5V logic, and there's a 10K pullup on this pin.
P7-P0 - I/O pins, left-to-right as P7 through P0.
A0 - address pin. The default I2C address is 0x20.
INT - The INT pin is the IRQ output, which will automatically alert you when input pins change value.

Adafruit PCF8574 I2C GPIO Expander > Pinouts
I/Oエキスパンダー PCF8574N でも構いません。


IC単体で使用する場合には,SDA,SCLのところに10KΩ抵抗を挟んでpull-upします。
QT Py ESP32S2 | | YMZ294 | | |
| A1(TX) | ──── | /CS | | |
| A1(TX) | ──── | /WR | | |
| A2(A0) | ──── | A0 | | |
| 3V3 | ──── | 5V | ──── | Quartz:Vcc |
| | | SO | ──── | Speaker(+) |
| GND | ──── | GND | ──── | Quartz:GND |
| | | CLK | ──── | Quartz:Output |
| 3V3 | ─10KΩ─ | 4/8MHz | | |
| A3(RX) | ──── | /IC | | |
| | | /TEST | | |
| | | | |
SCL SDA GND 3V | PCF8574 ──── | D7~D0 | | |
QWIIC-I2C ↑ MIDI入力 | | | | |

組み立てるとこんな感じになります

左側のモジュールでは、microSDカードからMIDIファイルを読み込んで、I2C接続により、YMZ294側モジュールに送信しています
●AGPTEK R08 ポータブル FMラジオ MP3プレーヤー

外部入力端子付きラジオをスピーカーとして使いました。
YMZ294とスピーカーの外部入力端子の間にローパスフィルタとハイパスフィルタを組み合わせてバンドパスフィルタ回路を挟んでいます。

8086ベースのPC エミュレータ(FabGL)用モジュールとして公開されている回路の一部です。
ESP32 Display Controller and Graphics Library
秋月電子で販売している両面TH丸型ユニバーサル基板(ペットボトル基板)27mm に配線しました。
これを1つ作っておくとなにかと便利です。
これらを繋ぎ合わせると下記のようになります。

●3.3Vロジック
・4/8MHz, /IC, /TEST以外は最小2.2Vでラッチ
・4/8MHz, /IC, /TESTは最小3.5Vでラッチ
/TESTは無接続、4/6はロジックで弄らないので、/IC(リセット)が使えない程度です。
Raspberry piでYMZ294を鳴らす
●コードの要点
ポート・レジスタ経由から、I2Cパラレル変換への変更です。
void pcf8574_write(uint16_t register_value)
{
Wire.beginTransmission(PCF8574_I2C);
Wire.write(register_value & 0x00FF);
Wire.endTransmission();
}
void ymz294_set_register(byte addr, byte value)
{
// addr
digitalWrite(WRCS_PIN, LOW);
digitalWrite(A0_PIN, LOW);
pcf8574_write(addr);
digitalWrite(WRCS_PIN, HIGH); // データ送信
// value
digitalWrite(WRCS_PIN, LOW);
digitalWrite(A0_PIN, HIGH);
pcf8574_write(value);
digitalWrite(WRCS_PIN, HIGH); // データ送信
}
YouTube動画では、MIDIファイルを配列にして読み込ませ演奏させています。
MIDIファイルの詳細は下記の過去記事をご覧ください。

MIDIフォーマット解析

MIDIフォーマット解析で使用したAdafruit Music Makerとはさすがに比べ物になりませんが、ゲーム音楽やちょっとしたメロディーラインを考える際には便利かもしれません。
YMZ294では同時に発音できるのは3音までなので、MIDIファイルから音を省いています。
■参考文献
・【音楽×電子工作】YMZ294 ヤマハの音源ICで遊んでみたよ~~~
・解説記事:ヤマハ製の音源 IC YMZ294 を使ってみた
・ノイズを使った効果音
・音楽の素材屋さん
・ピアノMidiファイル集
|
Raspberry Pi(ラズベリー パイ)は、ARMプロセッサを搭載したシングルボードコンピュータ。イギリスのラズベリーパイ財団によって開発されている。
Arduinoで学ぶ組込みシステム入門(第2版)
●Arduinoを使って組込みシステム開発を理解する
・ハードウェアやソフトウェアなどの基礎知識/
・設計から実装までを系統的に説明するモデルベース開発/
・Arduinoを用いた実際の開発例
最新 使える! MATLAB 第3版
◆◆すぐに「使える!」 全ページフルカラー!◆◆
・MATLAB R2022bに対応し、解説もより詳しく!/
・コマンド・スクリプトの例が豊富で、動かして学べる!/
・超基本から解説。これから使いはじめる人にぴったり!/
・全編フルカラー、スクリーンショットも豊富!
Amazon Web Services基礎からのネットワーク&サーバー構築改訂4版
1.システム構築をインフラから始めるには/
2.ネットワークを構築する/
3.サーバーを構築する/
4.Webサーバーソフトをインストールする/
5.HTTPの動きを確認する/
6.プライベートサブネットを構築する/
7.NATを構築する/
8.DBを用いたブログシステムの構築/
9.TCP/IPによる通信の仕組みを理解する
C言語は第二の母国語: 独学学生時代から企業内IT職人時代に培った、独立のための技術とノウハウ 平田豊著
学生時代から独学でプログラミングをはじめ、企業内でデバイスドライバを開発し、そして独立後もたくさんのアプリケーション開発や技術書制作に携わってきた著者。その筆者が大事に使い続ける「C言語」の“昔と今”について、気づいたことや役立つ知識、使ってきたツールなどについて、これまで記してきたことを整理してまとめました。
本書では、現役プログラマーだけでなく、これからプログラミングを学ぶ学生などにも有益な情報やノウハウを、筆者の経験を元に紹介しています。
1冊ですべて身につくJavaScript入門講座
・最初の一歩が踏み出せる! 初心者に寄り添うやさしい解説
・最新の技術が身につく! 今のJavaScriptの書き方・使い方
・絶対に知っておきたい! アニメーションとイベントの知識
・プログラミングの基本から実装方法まですべて学べる
図解! Git & GitHubのツボとコツがゼッタイにわかる本
ソフトウェア開発では欠かすことのできないGit、GitHub。
これからGit、GitHubを使いたいという入門者の方でも、実際に手を動かしながら使い方を学べます。
C自作の鉄則!2023 (日経BPパソコンベストムック)
メーカー製のパソコンはスペックが中途半端で、自分が本当に欲しい機種がない――。そう思っている人には、ぜひ自作パソコンをお薦めします。自作パソコンのパーツは進化が速く、しかも驚くほど種類が豊富。価格も性能も、幅広く用意されているため、満足度100%の“自分だけの1台”を手に入れることができます。
Interface 2023年6月号
特集:第1部 フィルタ設計 基礎の基礎/
第2部 係数アプリや波形観測アプリで合点!FIR&IIRフィルタ作り/
第3部 配布プリント基板で体験!マイコンで動くフィルタ作り
日経Linux 2023年5月号
【特集 1】 AI時代の最強フリーソフト ~ 25のやりたいを実現!
【特集 2】 AWS、Azureのうまみを無料で体感!面倒なことはクラウドに任せよう
【特集 3】 新しいRaspberry Pi Cameraで遊んでみよう
【特集 4】 Linuxで旧型PCを復活! 1kg切るモバイルPCを「ChromeOS Flex」でChromebook化
ラズパイマガジン2022年秋号
特集:5大人気ボード 電子工作超入門
「半導体不足で在庫が不足し、電子工作のボードがなかなか買えない…」。そんな今にふさわしい特集を企画しました。5種の人気ボードにすべて対応した電子工作の入門特集です。「GPIO」や「I2C」を使った電子パーツの制御方法は、どのボードでも同じです。手に入れられたボードを使って、今こそ電子工作を始めましょう。
地方で稼ぐ! ITエンジニアのすすめ
学歴、理系の知識、専門スキル……全部なくてもITエンジニアになれる!
地方でも高収入でやりがいをもって働ける!ITエンジニアの魅力を一挙大公開
Raspberry Piのはじめ方2022
本書は、ラズパイやPicoの買い方やインストール、初期設定といった基本から、サーバー、電子工作、IoT、AIといったラズパイならではの活用方法まで、1冊でお届けします。
ラズパイをこれから始める方向けに、全36ページの入門マンガ「女子高生とラズベリーパイ」も巻末に掲載。これを読むだけでラズパイがどんなものなのか、すぐに分かって触れるようになります。
ハッカーの学校 IoTハッキングの教科書
生活にとけこみ、家電機器を便利にするIoT技術。
Webカメラなど、便利の裏側に潜むセキュリティの危険性をハッキングで検証。
専門家がパケットキャプチャからハードウェアハッキングまで、その攻撃と防御を徹底解説。
本書は2018年7月に刊行された「ハッカーの学校IoTハッキングの教科書」に一部修正を加えた第2版です。
攻撃手法を学んで防御せよ! 押さえておくべきIoTハッキング
本書は、経済産業省から2021年4月にリリースされた、IoTセキュリティを対象とした『機器のサイバーセキュリティ確保のためのセキュリティ検証の手引き』の『別冊2 機器メーカに向けた脅威分析及びセキュリティ検証の解説書』をもとに、IoT機器の開発者や品質保証の担当者が、攻撃者の視点に立ってセキュリティ検証を実践するための手法を、事例とともに詳細に解説しました。
ポチらせる文章術
販売サイト・ネット広告・メルマガ・ブログ・ホームページ・SNS…
全WEB媒体で効果バツグン!
カリスマコピーライターが教える「見てもらう」「買ってもらう」「共感してもらう」すべてに効くネット文章術
プログラマーは世界をどう見ているのか 西村博之著
イーロン・マスク(テスラ)、ジェフ・べゾス(Amazon)、ラリー・ペイジ(Google)…etc.
世界のトップはなぜプログラマーなのか?
ニーア オートマタ PLAY ARTS改 <ヨルハ 二号 B型 DX版> PVC製 塗装済み可動フィギュア
「NieR:Automata」より、ヨルハ二号B型こと2BがPLAY ARTS改に新たに登場!
高級感の感じられるコスチュームや髪の質感、洗練されたボディバランス、細かなデティールに至るまでこだわり抜かれた逸品。
DX版には通常版のラインナップに加え2Bの随行支援ユニット ポッド042などをはじめ“純白の美しい太刀"白の約定やエフェクトパーツ、自爆モードを再現できる換装用ボディパーツ、シーンに合わせて変えられる顔パーツ2種も付属する豪華な仕様に。
作中のあらゆるシーンを再現することが可能なファン必見の一品となっている。
Newtonライト2.0 ベイズ統計
ベイズ統計は,結果から原因を推定する統計学です。AIや医療などの幅広い分野で応用されています。その基礎となるのは18世紀に考えだされた「ベイズの定理」です。
この本では,ベイズ統計学のきほんをやさしく紹介していきます。
白光(HAKKO) ダイヤル式温度制御はんだ吸取器 ハンディタイプ FR301-81
無水エタノールP 500mlx2個パック(掃除)
ケイバ(KEIBA) マイクロニッパー MN-A04
サンハヤト SAD-101 ニューブレッドボード
白光(HAKKO) HEXSOL 巻はんだ 精密プリント基板用 150g FS402-02
[Amazon限定ブランド]【指定第2類医薬品】PHARMA CHOICE 解熱鎮痛薬 解熱鎮痛錠IP 100錠
|